聚焦水蜜桃隐私视频网站,传递环境检测行业新动态

汽车零部件振动试验方法

作者: 网络 编辑: 水蜜桃隐私视频网站仪器 来源: 网络 发布日期: 2020.01.08

1、范围

本标准规定了汽车零部件高温工作的试验方法。
本标准适用于不同车型汽车零部件高温工作的试验。
本标准适用于汽车用电气设备(电机、电器及电子产品,以下简称产品)以及一些机械运动设备。

2、引用标准

下列文件中的条款通过本标准的引用而成为本标准的条款。凡是注日期的引用文件,其随后所有的修改单(不包括勘误的内容)或修订版均不适用于本标准。然而,鼓励根据本标准达成协议的各方研究是否可使用这些文件的新版本。凡是不注日期的引用文件,其新版本适用于本标准。下面列出的是主要参考的部分标准。
GBT 2423. 10 ( 1995) 电工电子产品环境试验第2部分:试验方法试验Fc和导则:振动(正弦)
QCT413- -2002  汽车电气设备基本技术条件
QCT198- -1995  汽车用开关通用技术条件
QCT 636 (2000)  汽车电动玻璃升降器
Q-BYDQ-J01.042- 2005  汽车点火线圈总成的检测规范
Q- -BYDQ-J01.064 -2004  汽车用电喇叭检验规范

3、技术要求

3.1产品的文件
产品应符合本标准及各分类产品标准的要求,并应按照规定程序批准的图样及设计文件制造。
3.2试验 前后检测环境条件

在下述大气环境条件下,见表1,产品应保证具有额定数值。

表1

3.3产品的振动参数选择
按安装部位及使用条件划分,产品的主要振动参数划分为扫频4大类,定频2大类,详见表3~表8。注:
1)其它没有提及的产品,如果工作环境和以上产品的工作环境相似的,优先采用以上数据;特殊的产品根据其结构特性,制定相应的试验方法和时间(例如:电动燃油泵泵芯和总成考核结构不同,试验方法不同)。
2)本试验方法中所涉及到的产品振动条件是参考比亚迪F3车型而确定的,当其他车型的产品安装部位和结构性能有变化时,可参考其他标准来设定。
3.4产品的工作电压范围

产品的标称电压为: 12V,其工作电压范围见表2。


表2

3.5单、 双线制及搭铁极性
产品可做成单线制或双线制。做成单线制时,应使其负极搭铁。
3.6旋转方向
产品轴旋转方向一般宜采用顺时针方向,其旋转方向的判定方法:
1)电机一从驱动端视。
2)分电器一从分火头端视。
3)两端带轴伸的电机和上述以外的其他产品由制造厂规定。
4)对旋转方向为逆时针的产品和两端带轴伸的电机,应在产品的驱动端或其他明显部位标出表示旋转方向的箭头。

4、试验方法

4.1通用试验条件
4.1.1 试验用文件
试验用文件应按3.1条规定,一-般应 有产品技术条件和产品外形图。
4.1.2试验前后检测环境
产品的试验前后检测环境选择参考3.2。
4.1.3试验电压
试验电压未特别注明时,12V 车系工作电压为13.5V+0.5 V。
4.1.4试验用仪表
试验时所用电压表、电流表应不低于0.5级,转速表精度应不低于1%。
4.1.5试验用设备
4.1.5. 1试验台特性要求
当振动台按所规定的方法装上负荷时,振动台和夹具的特性要求如下: 
a)基本运动:应为时间的正弦函数,产品的各固定点应基本.上沿平行直线运动,并符合规定容差要求;
b)横向运动:垂直于规定轴线的任何轴线上的振幅都应满足相关规定的要求。
4.1. 5.2试验用直流电源用汽车蓄电池或波纹系数不大于0.1 %的整流稳压电源,或上述两种电源并联工作。
4.1.5.3对试验设备及工具有特殊要求时,应在产品标准中规定。
4.2试验前检测
按产品相关规范规定对试验产品进行外观检查及电气和机械结构性能的检测:
1)产品外形用通用或专用量具检测,外观和标志用肉眼观察法检查。
2)电气性能参数的检测方法应在产品标准中规定。
3)产品档位转换力、机械紧固件的拧紧力矩宜采用扭力扳手测量。
4.3主要试验参数设置
4.3.1试验严酷等级:产品的试验参数选择参见表3~表8。
4.3.2当以上所给的试验方法对试验产品不适宜时,相关规范可规定其他试验方法。
4.4试验中产品的结构和性能
4.4.1产品的外观应无变形、裂纹、松动及零部件脱落等影响产品的美观、装配及使用性能等缺陷。
4. 4.2产品的电气性能,通电工作时,额定负载及工作档位应符合各类产品标准的规定。
4.4.3产品的机械性能,开关类部件,产品的档位转换应灵活、无卡住现象,定位应明确可靠。对具有自动复位档位的开关,当外力消除后应能自动复位;产品档位转换力(或力矩)应符合各类开关标准的具体规定;其它机械运动类部件,其运行应该顺畅,无卡住、脱离等异常现象,定位应明确可靠。
4.5试验后检测
4.5.1试验样 品应在3.2条件下进行检测。
4.5.2若相关规范有要求, 按照产品相关规范进行检测。

4.5.3试验后检测与 4.2检测项目一样,用来做对比。


表3

表4

表4 续

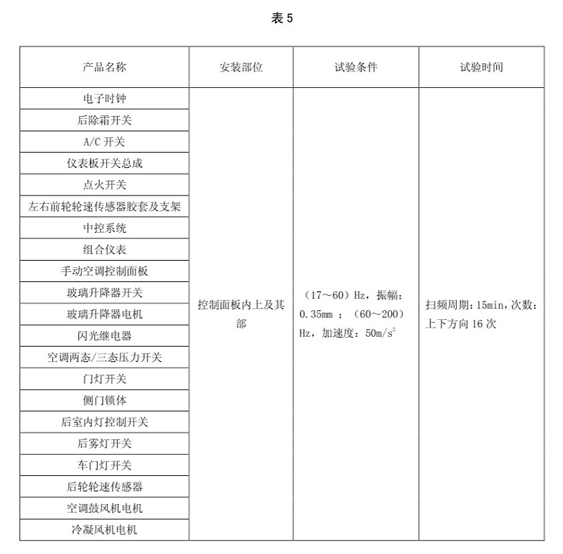
表5

表6

表7

表8

【相关推荐】
查看详情 + 上一条 光老化-盐雾复合试验新方法研究
查看详情 + 下一条 干湿球法测量非饱和高压加速老化试验箱内相对湿度

东莞市水蜜桃隐私视频网站环境检测仪器有限公司 版权所有

备案号:粤ICP备63827038号

咨询热线:400-088-3892 技术支持:水蜜桃隐私视频网站仪器 百度统计

联系水蜜桃隐私视频网站

  • 邮箱:riukai@zyaxcs.com
  • 手机:189 3856 3648
  • 座机:0769-81019278
  • 公司地址:东莞市横沥镇神乐一路15号

关注水蜜桃隐私视频网站

  • <a id=" src="http://www.zyaxcs.com/resource/images/ee6ddfa37b974b8ab546b9456ceeac2a_2.jpg" title="">客服微信
网站地图