聚焦水蜜桃隐私视频网站,传递环境检测行业新动态

技术解析|跌落试验机扩展功能设计

作者: 环境技术核心期刊 编辑: 水蜜桃隐私视频网站仪器 来源: 环境技术核心期刊 发布日期: 2019.12.09

内容提要

    针对目前国内 跌落试验机不能完成较小产品跌落试验且精度低的问题,通过在现有跌落托架的基础上增加扩展装置、扩展平台后能满足目前对较小产品进行跌落试验的任务要求,弥补当前设备功能不足、提高试验精度、提升设备能力,达到设备稳定可靠的要求。该套跌落试验机能够满足国家军用标准和国家标准的试验技术指标。

引言

    在此研究领域,国外已研制出第三代 摆臂式跌落试验机,它能在一台缓冲器上产生多种力脉冲波形,并辅以高度自动化的控制以及数据采集和分析设备。
    摆臂式跌落试验机的原理是通过快速旋转托架以达到释放样品并使其自由下落的目的;自由跌落式试验机是使托架产生一个大于自由落体加速度的运动达到产品自由下落或者通过吊钩的释放达到产品自由下落。
    试验机由冲击板、提升机构、控制箱、跌落执行机构和试件固定夹具等部分组成。摆臂式跌落试验机结构比自由跌落式跌落试验机复杂,能够准确提升产品高度,冲击瞬间不会产生干扰,能在一台缓冲器上产生多种力脉冲波形且能实现数据采集和分析。
    国内已研制完成第二代自由跌落式试验机和摆臂式试验机,后者是国内外设备精细化发展的趋势,我国第三代摆臂式跌落机处于研制阶段。本项目基于摆臂式基本原理实现扩展功能设计,能满足目前对较小产品进行跌落试验任务要求、弥补当前设备功能不足、提高试验精度,同时为数据采集和分析奠定基础。

    跌落试验机扩展功能总体结构设计

    根据任务需求,获得试验产品相关参数,并以此确定跌落试验机扩展功能机构的适用范围;同时通过文献及实体调研,确定了跌落试验机扩展功能的总体结构设计;根据具体情况,确保跌落试验机扩展功能机构更安全、更方便。一套跌落试验机扩展功能机构主题结构由托板和释放两大部分组成。

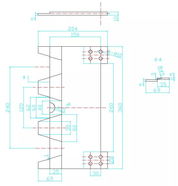
    托板结构设计

    托板分成左右两部分对称结构,长360 mm、宽170  mm、厚20 mm,材料6061,能满足产品尺寸(250 mm×250 mm×250 mm)、重15 kg的需求。为满足圆球类产品平稳放置,托板对称轴心中间设计有深5 mm,直径30 mm半圆球形凹槽;托板两端通过轴座固定在旋转轴上,托板每端使用8个M10的螺钉与轴座进行紧固连接;托板在工作时左右两部分通过旋转轴从中间同时向下翻转。为防止托板在跌落试验时出现左右两部分向下旋转不同步的问题,托板中间设计成齿条形交叉结构。托板右侧部分设计图纸见图1。

图1 托板结构设计图

图1 托板结构设计图

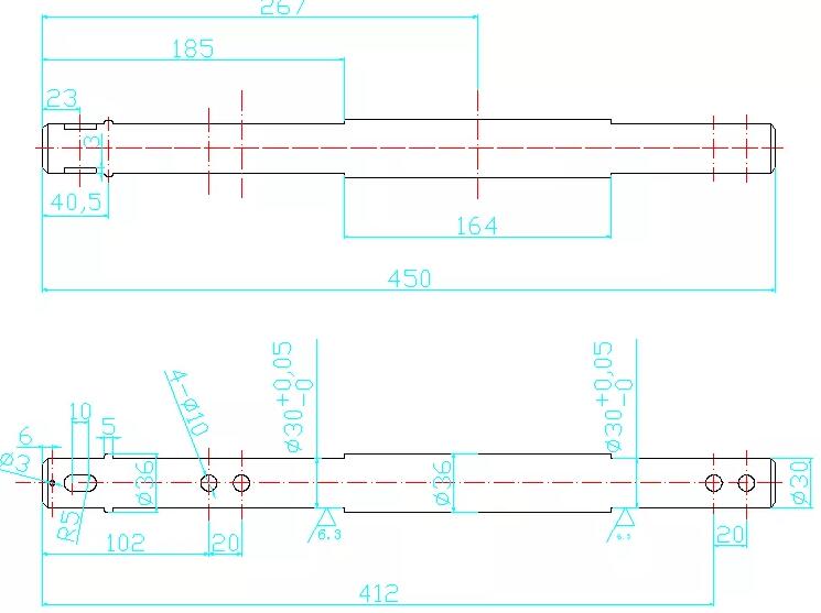
    旋转轴结构设计及强度校核

    轴用来固定托板、齿轮、轴承,同时实现托板旋转。根据现有跌落试验机托叉结构尺寸,设计轴长450 mm、粗端直径36 mm、细端直径30 mm,材料45。轴的一端通过B型键安装齿轮,另一端安装托板和轴套;固定托板的轴座布置在轴套两端,轴与轴套间通过轴承连接以实现轴旋转;轴承位于轴套的两端,轴承与轴和轴套间采用过盈配合,轴的结构设计图见图2。

图2 轴结构设计图

图2  轴结构设计图

    旋转轴强度校核

    根据使用状态,轴在使用时既产生弯曲变形又产生扭转变形,应使用弯扭组合变形强度校核,校核时按轴的细端直径d=30 mm校核,轴的材料45钢,屈服极限[σ]≥255 Mpa。
    轴的质量m1=9.92 kg;
    托板质量m2=1.65 kg;
    产品质量m3=10 kg;
    弯矩M=F·L1=(m1+m2+m3)×g×L1=119.2 N·m
    扭矩T=F·L2=(m1+m2+m3)×g×L2=54.2 N·m

    圆截面轴扭转W=πd3/16=5.3×10-6

旋转轴强度校核

    满足使用要求。
释放机构设计

托板旋转轴另一端设计类似于棘轮机构装置,具有自锁功能。棘轮挡销与电磁铁相连接,释放产品时,电磁铁通电快速吸开棘轮挡销;挡销与棘轮接触的面设计成圆弧面,使挡销与棘轮成线接触,减少摩擦力;齿轮下方设有拉紧弹簧,释放瞬间在弹簧的拉力作用下,托板获得初始加速度,使托板快速向下旋转130 °,使产品不受干涉自由下落,完成跌落试验。齿轮结构设计尺寸如下图左图所示,棘轮释放机构示意如下图右图所示。

释放机构设计

左:齿轮结构设计图右:释放机构示意图

    扩展机构与现有托架结合方式

    托板安装在原有跌落机托架上。为保证试验过程中,跌落时产品和托板不与现有托架发生碰撞,将扩展功能机构安装于托架下方。跌落试验时,托板向下旋转与现有跌落试验机不发生任何干涉。
    紧固方式:扩张装置机构通过U型吊环与现有托架进行吊装连接,吊装点设置在轴套上,轴套上均布3个吊装孔,使用螺钉紧固。

    总结

    本文通过对跌落试验机多方位调研,吸取了跌落试验机结构及运行优点,针对产品结构及尺寸特征,终确定了跌落试验机扩展装置机构的主体构架及运行机制,使其具有安全可靠、操作简易的特点。 
    设计过程中遇到一些技术难题:托板在跌落试验时左右两部分向下旋转时可能存在不同步的问题,受试产品不能实现自由落体运动,达不到试验目的;托板在跌落试验时,快速向下旋转后可能存在回弹,撞击产品,对产品造成损坏。
    为防止托板在跌落试验时左右两部分向下旋转不同步的问题,托板中间设计成齿条形交叉结构,简单、运行安全可靠、成本低;在齿轮下方添加一拉紧弹簧,有效防止托板回弹,同时在托板跌落瞬间给托板初加速度,设计巧妙,一举两得。
    跌落试验机扩展装置机构的应用将有效地进行小产品(250 mm×250 mm×250 mm)跌落试验,试验过程中能够保证人身安全、产品安全、试验安全等,进而达到安全生产、高效试验的目的。
文章出自:环境技术核心期刊
【相关推荐】
查看详情 + 上一条 技术贴|步入式高低温湿热试验箱加装太阳辐射试验装置的设计
查看详情 + 下一条 电子元器件湿热试验资料大全

东莞市水蜜桃隐私视频网站环境检测仪器有限公司 版权所有

备案号:粤ICP备63827038号

咨询热线:400-088-3892 技术支持:水蜜桃隐私视频网站仪器 百度统计

联系水蜜桃隐私视频网站

  • 邮箱:riukai@zyaxcs.com
  • 手机:189 3856 3648
  • 座机:0769-81019278
  • 公司地址:东莞市横沥镇神乐一路15号

关注水蜜桃隐私视频网站

  • <a id=" src="http://www.zyaxcs.com/resource/images/ee6ddfa37b974b8ab546b9456ceeac2a_2.jpg" title="">客服微信
网站地图